繼智(zhi)(zhi)能(neng)(neng)(neng)(neng)手(shou)機(ji)后(hou),近年來可穿(chuan)戴(dai)設備正(zheng)“包攬”全身,逐(zhu)步成為消費者新時尚:耳戴(dai)TWS耳機(ji),腕戴(dai)智(zhi)(zhi)能(neng)(neng)(neng)(neng)手(shou)環/智(zhi)(zhi)能(neng)(neng)(neng)(neng)手(shou)表(biao)(biao),頭戴(dai)智(zhi)(zhi)能(neng)(neng)(neng)(neng)眼(yan)鏡/智(zhi)(zhi)能(neng)(neng)(neng)(neng)頭顯,身穿(chuan)心電T恤……多種多樣的智(zhi)(zhi)能(neng)(neng)(neng)(neng)穿(chuan)戴(dai)設備正(zheng)成為繼手(shou)機(ji)后(hou)撬動著消費電子市場增長的新亮點。但看似百(bai)花齊(qi)放的繁榮表(biao)(biao)象背(bei)后(hou),可穿(chuan)戴(dai)設備發(fa)展(zhan)卻暗(an)藏(zang)隱憂(you)——應用場景單一、功能(neng)(neng)(neng)(neng)更新緩(huan)慢(man)、同(tong)質化嚴重、入局者眾(zhong)多……

ADI中國(guo)產品事業部高(gao)級市場應(ying)用經(jing)理何源
“貝索斯曾經說過,很多人關注并追求未來十年會變化的東西,但是他問自己更多的是未來十年什么是不會變的。從可穿戴產品來看,人類對于健康的追求是不變的,健康消費一定是大趨勢。”在前不久的第10屆易維訊年度中國硬科技媒體論壇暨產業鏈研創趨勢展望研討會上,ADI中國產品事業部高級市場應用經理何源表示,“隨著老齡化人口的增加以及對醫療保健整體支出的強烈關注,院外醫療監護已成為一種發展趨勢,對有潛在風險的患者進行日常生活監護,或者讓患者攜帶監護儀由醫院回到家中,可使其康復過程更快捷、更舒適的可穿戴醫療設備將成為人們的剛需,我們已經開發出新的單芯片生物醫學模(mo)擬前端(duan)系列來支(zhi)持(chi)全球客戶迎接這個大趨(qu)勢。”
可穿戴(dai)(dai)設(she)備(bei)(bei)是(shi)否會(hui)注定一頭栽入(ru)存量市(shi)場(chang),此后(hou)陷入(ru)“內卷”困境?在回答這個問(wen)題(ti)之前,不妨從可穿戴(dai)(dai)設(she)備(bei)(bei)的(de)(de)本(ben)質出發(fa),探(tan)尋其發(fa)展的(de)(de)核心路徑(jing)。可穿戴(dai)(dai)設(she)備(bei)(bei),即直接穿在身上,或是(shi)整合到用戶的(de)(de)衣服或配件(jian)的(de)(de)一種(zhong)便(bian)攜式設(she)備(bei)(bei)。可穿戴(dai)(dai)設(she)備(bei)(bei)不僅(jin)僅(jin)是(shi)一種(zhong)硬(ying)件(jian)設(she)備(bei)(bei),更是(shi)通過軟件(jian)支(zhi)持以及數據交互、云端(duan)交互來實現(xian)強(qiang)(qiang)大的(de)(de)功能。可穿戴(dai)(dai)設(she)備(bei)(bei)目前的(de)(de)主流產品(pin)形態包括以耳(er)部為支(zhi)撐(cheng)的(de)(de)耳(er)戴(dai)(dai)設(she)備(bei)(bei)類,以手腕為支(zhi)撐(cheng)的(de)(de)手表手環類,以及以頭部為支(zhi)撐(cheng)的(de)(de)虛擬現(xian)實/增強(qiang)(qiang)現(xian)實設(she)備(bei)(bei)類等。
可穿戴(dai)設(she)(she)備(bei)或多或少都(dou)與(yu)(yu)人體(ti)部位存在部分(fen)接觸,因(yin)此(ci)不管什么形態(tai)的可穿戴(dai)產品,都(dou)可用(yong)(yong)于(yu)健(jian)康管理與(yu)(yu)生(sheng)命體(ti)征監(jian)(jian)(jian)測。“實際上,專(zhuan)業級(ji)(ji)可穿戴(dai)設(she)(she)備(bei)早已在醫(yi)(yi)療保(bao)健(jian)領域(yu)被廣泛用(yong)(yong)于(yu)監(jian)(jian)(jian)測和(he)診斷目的,例如智能云血壓儀(yi)、心(xin)率(lv)(lv)血氧探測儀(yi)、遠程(cheng)監(jian)(jian)(jian)護設(she)(she)備(bei)(RPM)等(deng)等(deng)。商用(yong)(yong)消費(fei)級(ji)(ji)產品中,健(jian)康與(yu)(yu)醫(yi)(yi)療也正是腕類設(she)(she)備(bei)的主(zhu)要應用(yong)(yong)場景和(he)技術發展趨勢,不少TWS耳機都(dou)升級(ji)(ji)了心(xin)率(lv)(lv)監(jian)(jian)(jian)測功(gong)能,甚至在看似與(yu)(yu)醫(yi)(yi)療健(jian)康毫無關系的VR/AR設(she)(she)備(bei)上,也可以通過加(jia)入傳(chuan)感器以實時檢(jian)測與(yu)(yu)記錄(lu)使用(yong)(yong)者(zhe)的當前健(jian)康狀態(tai),并給予專(zhuan)業建(jian)議(yi)。”何源(yuan)指出。
生(sheng)命(ming)體(ti)征監(jian)測(ce)功(gong)能作為可(ke)穿(chuan)(chuan)戴(dai)設(she)(she)備(bei)(bei)(bei)發(fa)展(zhan)的(de)(de)(de)核(he)心功(gong)能,這恰與(yu)當前政(zheng)策(ce)環(huan)境和(he)(he)社會(hui)需求相符合(he):中共中央國(guo)務(wu)院印發(fa)的(de)(de)(de)《“健(jian)康(kang)(kang)(kang)中國(guo) 2030”規劃綱要》指出,要發(fa)展(zhan)基于互聯網的(de)(de)(de)健(jian)康(kang)(kang)(kang)服(fu)務(wu),培育一批有特(te)色的(de)(de)(de)健(jian)康(kang)(kang)(kang)管理(li)服(fu)務(wu)產業,探索推進可(ke)穿(chuan)(chuan)戴(dai)設(she)(she)備(bei)(bei)(bei)、智能健(jian)康(kang)(kang)(kang)電(dian)(dian)子產品(pin)和(he)(he)健(jian)康(kang)(kang)(kang)醫療移動應用(yong)服(fu)務(wu)等發(fa)展(zhan);《“十(shi)四(si)五”國(guo)家老齡事業發(fa)展(zhan)和(he)(he)養老服(fu)務(wu)體(ti)系規劃》里(li)也(ye)重點提出研發(fa)穿(chuan)(chuan)戴(dai)式動態心電(dian)(dian)監(jian)測(ce)設(she)(she)備(bei)(bei)(bei)和(he)(he)其他生(sheng)理(li)參(can)數(shu)(shu)檢測(ce)設(she)(she)備(bei)(bei)(bei),發(fa)展(zhan)便攜(xie)式健(jian)康(kang)(kang)(kang)監(jian)測(ce)設(she)(she)備(bei)(bei)(bei)、自助式健(jian)康(kang)(kang)(kang)檢測(ce)設(she)(she)備(bei)(bei)(bei)等健(jian)康(kang)(kang)(kang)監(jian)測(ce)產品(pin),開發(fa)新(xin)型信號采集芯片和(he)(he)智能數(shu)(shu)字醫療終端。政(zheng)策(ce)引(yin)領下,可(ke)穿(chuan)(chuan)戴(dai)設(she)(she)備(bei)(bei)(bei)行業將邁(mai)入高速發(fa)展(zhan)的(de)(de)(de)坦途。
據中國(guo)健(jian)康城市白皮書調查, 35歲到65歲之間的人群(qun)(qun),正在(zai)成(cheng)為慢(man)性病的大軍。“慢(man)病聽上去好像很(hen)常(chang)(chang)見,但是危(wei)害很(hen)大,比如(ru)肥胖、超重、血(xue)脂異常(chang)(chang)、脂肪肝…這(zhe)些病癥(zheng)正在(zai)形成(cheng)兩個(ge)趨(qu)勢:在(zai)人群(qun)(qun)中的發病率呈明顯的上升趨(qu)勢;發病的人群(qun)(qun)年齡呈現年輕化。”何源指出(chu)(chu),“不過這(zhe)些慢(man)性病或(huo)(huo)多或(huo)(huo)少都有一(yi)些癥(zheng)狀提前顯示出(chu)(chu)來,我們可以對(dui)這(zhe)些亞健(jian)康狀態進行監測,做到提早發現,及(ji)時治療。這(zhe)正是可穿戴醫療設備的巨大機(ji)會。”
可(ke)(ke)穿戴設備上有關生(sheng)命體(ti)征的(de)(de)解(jie)決方(fang)案當前主(zhu)要包括PPG(光(guang)電(dian)容(rong)積(ji)脈搏波描(miao)記法(fa))、ECG(心電(dian)圖)、Bio-z(生(sheng)物阻抗(kang)分(fen)析)三種(zhong)技(ji)術(shu)。PPG技(ji)術(shu)以(yi)光(guang)為主(zhu)要技(ji)術(shu)載(zai)體(ti),多用(yong)于(yu)心率信息的(de)(de)獲取(qu),采用(yong)光(guang)電(dian)容(rong)積(ji)傳感器即可(ke)(ke)得 PPG 信號并(bing)測(ce)算出心率;ECG技(ji)術(shu)以(yi)電(dian)為主(zhu)要技(ji)術(shu)載(zai)體(ti),即心電(dian)圖,這也是醫院檢查中大家較為熟(shu)悉(xi)的(de)(de)監測(ce)技(ji)術(shu);Bio-z技(ji)術(shu)同(tong)樣(yang)以(yi)電(dian)為主(zhu)要技(ji)術(shu)載(zai)體(ti),通過生(sheng)物電(dian)阻測(ce)量來做體(ti)脂率、基(ji)礎(chu)代(dai)謝率、骨(gu)骼肌(ji)、含(han)水量的(de)(de)參(can)數的(de)(de)判斷,還(huan)可(ke)(ke)運用(yong)于(yu)更精準的(de)(de)情緒測(ce)量方(fang)面。

醫院(yuan)中的理想測量環境可以(yi)有效保障數據準(zhun)確(que)性
上(shang)述三種技(ji)術測(ce)量都(dou)(dou)是(shi)基于(yu)理(li)想環境下的(de)(de)(de)(de)描(miao)述。例(li)如(ru)(ru)(ru)在醫(yi)院中進(jin)行心電檢測(ce),溫度(du)濕度(du)適宜、狀(zhuang)態(tai)穩定、設備(bei)(bei)輔助完善、時間充(chong)足、有專業的(de)(de)(de)(de)醫(yi)生(sheng)做身(shen)體(ti)數據分析,因此醫(yi)院中更容(rong)易(yi)獲得(de)穩定的(de)(de)(de)(de)測(ce)量結果。“但如(ru)(ru)(ru)果將(jiang)同(tong)一套(tao)東西(xi)搬到腕上(shang)的(de)(de)(de)(de)可穿(chuan)戴設備(bei)(bei)中,就會出現各類問題。”何源分析說,“可穿(chuan)戴設備(bei)(bei)的(de)(de)(de)(de)生(sheng)命(ming)體(ti)征檢測(ce)受各項干擾(rao)因素影響大(da)(da),并且不(bu)同(tong)情(qing)況下、不(bu)同(tong)人群的(de)(de)(de)(de)身(shen)體(ti)狀(zhuang)況都(dou)(dou)不(bu)一樣,例(li)如(ru)(ru)(ru)佩戴是(shi)否牢固、周圍電磁干擾(rao)、皮(pi)膚狀(zhuang)態(tai)不(bu)同(tong)、漏(lou)光、環境光的(de)(de)(de)(de)干擾(rao)、動態(tai)光的(de)(de)(de)(de)偽像(xiang)……這些難(nan)題都(dou)(dou)大(da)(da)大(da)(da)增(zeng)加(jia)了可穿(chuan)戴設備(bei)(bei)測(ce)量的(de)(de)(de)(de)難(nan)度(du)。”
像食材(cai)與廚藝之于美食,數據的(de)準確性和算法(fa)的(de)有效性對體征監測二者缺一不可
“要(yao)讓可穿戴設(she)備足(zu)夠(gou)靠譜,需要(yao)從(cong)數(shu)(shu)據(ju)(ju)準確性和算(suan)(suan)(suan)法(fa)優化兩方(fang)面(mian)(mian)入手,就像烹飪(ren)一(yi)道佳肴一(yi)樣(yang)。”何(he)源生動地舉例說(shuo)明,“數(shu)(shu)據(ju)(ju)是(shi)(shi)食材(cai),算(suan)(suan)(suan)法(fa)是(shi)(shi)廚藝。想(xiang)要(yao)得到(dao)美味,既(ji)少(shao)不了(le)上(shang)好(hao)的(de)食材(cai)作為源頭,也少(shao)不了(le)精湛的(de)廚藝加(jia)工呈現。精準的(de)體(ti)(ti)征信(xin)號采(cai)集才能提供準確的(de)數(shu)(shu)據(ju)(ju),良好(hao)建模(mo)的(de)優化算(suan)(suan)(suan)法(fa)才能保障通過數(shu)(shu)據(ju)(ju)真實還原體(ti)(ti)征特(te)點。”ADI在半導體(ti)(ti)領域深耕數(shu)(shu)十年, 一(yi)直都專注于模(mo)擬與混(hun)合信(xin)號處理等技(ji)術(shu),在數(shu)(shu)據(ju)(ju)采(cai)集、轉換、模(mo)擬/數(shu)(shu)字信(xin)號處理上(shang)都有很(hen)深厚的(de)積淀,ADI中(zhong)國產品事(shi)業部推出的(de)多模(mo)式生命體(ti)(ti)征監測傳感器前端ADPD6000便從(cong)這兩方(fang)面(mian)(mian)入手,既(ji)從(cong)硬件電路設(she)計上(shang)抓好(hao)數(shu)(shu)據(ju)(ju)入口,也同時(shi)在算(suan)(suan)(suan)法(fa)優化上(shang)在最大程(cheng)度上(shang)從(cong)系統層面(mian)(mian)解(jie)決上(shang)述問題。
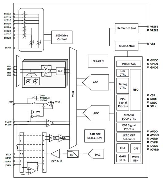
ADPD6000系列(lie)是高度集成(cheng)的模擬前(qian)端(AFE),針對測(ce)量各種生命體(ti)征信(xin)號而(er)設計,集成(cheng)了(le)ECG、PPG和(he)Bio-z等(deng)多(duo)種技(ji)術,可用(yong)于心(xin)率(lv)、心(xin)電、血氧、體(ti)脂、情緒及(ji)壓力等(deng)多(duo)種參數的測(ce)量。


ADPD6000應用及架構(gou)示意圖
用于PPG的光路部(bu)分設計往往頗(po)具難度(du),因(yin)為每(mei)個人胖瘦(shou)不同,手表佩戴的松緊不同,膚色不同,包括體毛、紋身(shen)、傷疤(ba)等(deng)因(yin)素都能(neng)影響采集精(jing)準度(du)。對此,ADPD6000提供了(le)極(ji)高的鏈路信噪比,保(bao)證了(le)信號質(zhi)量(liang)和(he)可(ke)(ke)測(ce)覆蓋度(du),可(ke)(ke)以(yi)減少因(yin)為常見干(gan)擾因(yin)素導致的測(ce)量(liang)誤差,同時輔以(yi)環境光抑制(zhi)和(he)動態干(gan)擾抑制(zhi),力求拿到準確可(ke)(ke)靠的數據(ju)。
在ECG電極部分(fen)同樣(yang)面臨(lin)很(hen)(hen)多挑(tiao)戰(zhan)。“例如(ru)寒冷的(de)(de)冬季皮(pi)膚比較干(gan)燥,或者大齡用戶(hu)皮(pi)膚比較松弛,這(zhe)些很(hen)(hen)常見的(de)(de)用例下很(hen)(hen)多時(shi)候都可能測不到結果。”何源指出,“ADI提供可靠、穩(wen)定、成熟(shu)的(de)(de)專業級架構(gou)技術,并配合干(gan)電極測試覆(fu)蓋度等優化,可適配更(geng)多應用場(chang)景,即使是在干(gan)燥的(de)(de)冬季,ADPD6000也可保證足夠的(de)(de)測量精(jing)度。”

數據+算法多項優化
除此之外,ADI針對(dui)用戶佩戴(dai)不穩而容易導致的(de)(de)導聯脫落場景也有(you)對(dui)應方案,ADPD6000系列可準確判(pan)斷(duan)接(jie)觸(chu)狀(zhuang)態,保證積累可靠的(de)(de)數據,并且集成(cheng)了右(you)腿驅動功能,有(you)效抵(di)消環境和共模(mo)干擾,使(shi)信號更純(chun)凈。
Bio-z電(dian)極(ji)方面(mian)的(de)(de)(de)(de)難(nan)點也在(zai)于(yu)每個人接觸的(de)(de)(de)(de)狀態不一樣,由于(yu)用戶(hu)的(de)(de)(de)(de)操作帶來的(de)(de)(de)(de)誤(wu)差很(hen)大。ADPD6000系列具備獨有的(de)(de)(de)(de)專(zhuan)(zhuan)利技術,能去除手表(biao)材(cai)質、ID限(xian)制的(de)(de)(de)(de)影響,即使在(zai)復雜的(de)(de)(de)(de)環境下也可保證阻抗的(de)(de)(de)(de)測(ce)量精度,適配更多(duo)應用場(chang)景(jing),對多(duo)變(bian)的(de)(de)(de)(de)外部變(bian)量幾乎免疫。此外,ADPD6000系列可有效去除由于(yu)小(xiao)電(dian)極(ji)帶來的(de)(de)(de)(de)非對稱誤(wu)差,最終能將(jiang)誤(wu)差降到很(hen)小(xiao),媲(pi)美專(zhuan)(zhuan)業級設備。
ADI提供全面的參考方案(an)和系統(tong)級(ji)支持
“ADI還(huan)提(ti)(ti)供穩(wen)定且(qie)自適(shi)應的(de)(de)算法(fa),應用(yong)機器學習的(de)(de)理(li)論,可(ke)以適(shi)配更(geng)(geng)多的(de)(de)環境和測試狀態。” 何(he)源(yuan)(yuan)表示。據(ju)何(he)源(yuan)(yuan)介紹, ADI可(ke)提(ti)(ti)供包括軟件、硬件、算法(fa)的(de)(de)開(kai)發(fa)(fa)板極支(zhi)持,甚至(zhi)也可(ke)根據(ju)用(yong)戶不同的(de)(de)需(xu)求(qiu)做定制(zhi)化(hua)的(de)(de)開(kai)發(fa)(fa),助力廠家打造差異化(hua)的(de)(de)產(chan)(chan)品。此(ci)外(wai),該系列產(chan)(chan)品還(huan)有豐富的(de)(de)路線圖,新(xin)一代產(chan)(chan)品也已經送樣,未(wei)來(lai)會(hui)有更(geng)(geng)多空間和應用(yong)場(chang)景(jing)。
值(zhi)得一提的(de)是,ADPD6000系(xi)列產品(pin)(pin)由ADI中國產品(pin)(pin)事業部研(yan)發,實現了全鏈條(tiao)的(de)國產化(hua)(hua),本(ben)土(tu)(tu)化(hua)(hua)設計、開發和支持,具備技術、服務(wu)和供應(ying)(ying)多重優(you)勢(shi),能(neng)提供24小時響應(ying)(ying)。這也使得先(xian)進技術能(neng)順利落地,發揮(hui)更大的(de)本(ben)土(tu)(tu)化(hua)(hua)優(you)勢(shi)。
結語
社會(hui)老(lao)齡化(hua)的(de)(de)加劇、生(sheng)活習(xi)慣的(de)(de)演變以及居住環(huan)境等不同因(yin)素,推進了(le)社會(hui)疾病(bing)圖譜的(de)(de)演進,中(zhong)(zhong)國(guo)的(de)(de)慢(man)病(bing)人(ren)群逐年的(de)(de)增長。中(zhong)(zhong)國(guo)健康管理白皮(pi)書調(diao)查(cha)結果顯示(shi),中(zhong)(zhong)國(guo)已(yi)發(fa)病(bing)的(de)(de)慢(man)病(bing)人(ren)群已(yi)逾(yu)3億,整體更呈(cheng)年輕化(hua)趨勢,其中(zhong)(zhong)65歲以下占近半(ban)數。

來源(yuan):國(guo)(guo)家統計局,中國(guo)(guo)產業信息網,頭豹研究院編(bian)輯整理
在(zai)此背景下,居民的(de)健康(kang)觀念逐(zhu)漸由被動治療(liao)轉變為(wei)(wei)主動監(jian)測,具備(bei)健康(kang)管理(li)的(de)可穿(chuan)戴設(she)備(bei)在(zai)一定程(cheng)度(du)上彌補了(le)因(yin)醫療(liao)資(zi)源(yuan)的(de)短缺導致的(de)供(gong)需缺口,健康(kang)管理(li)技(ji)(ji)術(shu)(shu)將為(wei)(wei)可穿(chuan)戴市場帶(dai)來(lai)重要的(de)拉(la)動功能。“除(chu)了(le)運動追蹤,現在(zai)的(de)手(shou)表可以(yi)測心(xin)(xin)率(lv)、血(xue)(xue)氧飽(bao)和率(lv)、情緒、壓(ya)力、健康(kang)狀態,以(yi)及測體(ti)脂率(lv)等(deng)(deng)等(deng)(deng)。包括人(ren)類五大健康(kang)指標:心(xin)(xin)率(lv)、血(xue)(xue)氧、血(xue)(xue)壓(ya)、呼吸、體(ti)溫(wen),這些(xie)未(wei)(wei)來(lai)終(zhong)將都會(hui)一一被可穿(chuan)戴產(chan)品攻(gong)克。”何源(yuan)對可穿(chuan)戴技(ji)(ji)術(shu)(shu)的(de)未(wei)(wei)來(lai)發展充滿了(le)信心(xin)(xin)。