前世為何世,今生為何生,WiFi 6芯片到底為誰而生?
WiFi芯片走過了20年,既有前程可奔赴,亦有歲月可回首,歷經6代,從第一代802.11b走向未來WiFi7 802.11be。對于國內WiFi芯片公司而言,WiFi 6芯片正處在研發進行時。從數量上來看,國內WiFi 6芯片公司已超過50家,市場看好,資本熱捧,物聯網海(hai)量市場(chang),似乎更(geng)多WiFi芯片公司也容得下。
事實如何,且看(kan)國產WiFi 6芯片走向何方。
在介紹國產WiFi 6芯(xin)片之前,我們先了(le)解(jie)WiFi技術的起源。
WiFi無線(xian)網(wang)絡技術(shu)由澳(ao)洲政府的(de)研究機構(gou)CSIRO在(zai)90年代發明(ming),并于1996年在(zai)美國(guo)成功申請了無線(xian)網(wang)技術(shu)專(zhuan)利(li),專(zhuan)利(li)發明(ming)人(ren)是(shi)悉(xi)尼大學工程系(xi)畢(bi)業(ye)生奧沙利(li)文(wen)(Dr John O'Sullivan)領(ling)導的(de)一群由悉(xi)尼大學工程系(xi)畢(bi)業(ye)生組成的(de)研究小組 。
實際(ji)上(shang),早(zao)在1990年就有團隊來開始制定無線通信協議 802.11標(biao)準(zhun),這早(zao)于研究機(ji)構CSIRO的工作3年之久,不過最終的結果是研究機(ji)構CSIRO申請了專(zhuan)利。
IEEE曾(ceng)請求澳洲政府放棄其無線網絡專(zhuan)利(li),讓世界免費(fei)使(shi)用Wi-Fi技(ji)術,但遭到拒絕。澳洲政府隨(sui)后在(zai)美國通過(guo)官司勝(sheng)訴或(huo)庭(ting)外和解(jie),收(shou)取(qu)蘋(pin)果、英(ying)特(te)爾、聯想、戴爾、AT&T、索尼、東(dong)芝、微軟、宏碁、華(hua)碩等等公司的(de)專(zhuan)利(li)使(shi)用費(fei)。
到2010年(nian),全球有30億(yi)臺電(dian)子設(she)備使用(yong)WiFi無(wu)線(xian)網絡技術,而到2013年(nian)底研(yan)究機構CSIRO的WiFi無(wu)線(xian)網專利過期,使用(yong)WiFi無(wu)線(xian)技術的電(dian)子設(she)備增(zeng)加(jia)到了50億(yi)+。
WiFi無線(xian)網絡被(bei)譽為(wei)澳(ao)洲(zhou)有史(shi)以來最(zui)(zui)重要的科技發明(ming)(ming),其(qi)(qi)發明(ming)(ming)人奧沙利文(Dr John O'Sullivan)被(bei)稱為(wei)”Wi-Fi之父“,并(bing)獲得澳(ao)洲(zhou)的國家最(zui)(zui)高(gao)科學獎和全(quan)世界的眾多贊譽,其(qi)(qi)中包括歐盟(meng)機構,歐洲(zhou)專利局,European Patent Office(EPO)頒發的European Inventor Award 2012,即(ji)2012年歐洲(zhou)發明(ming)(ming)者大獎。
根據華為發(fa)(fa)布的(de)WiFi白(bai)皮(pi)書,可以看(kan)到(dao)WiFi技術(shu)的(de)整個發(fa)(fa)展歷程。

圖源(yuan):華(hua)為WiFi白皮書
1997年,IEEE制定出第一個無(wu)線局域網通信標準802.11,允許設備之(zhi)間以每秒2Mbps的速度無(wu)線傳(chuan)輸數(shu)據。
1999年,IEEE又(you)發布(bu)了802.11b標準,傳輸速率為(wei)11Mbps,工作在2.4GHz頻段。同年IEEE又(you)發布(bu)了802.11a標準,不過是工作在5GHz頻段,數據傳輸率達到了54Mbps。
2000年,第一代WiFi芯片產品上市(shi),具有(you)11Mbps的最大(da)數據速率,工作在2.4GHz頻段。
2003年(nian),推出速(su)度更快(kuai)、距離覆蓋(gai)更廣的WiFi芯片(pian)產品,形(xing)成了802.11g標準,數據(ju)傳(chuan)輸速(su)度為(wei)54Mbps。
2009年,出現了802.11n協議標(biao)準(zhun),引入(ru)了“多(duo)輸(shu)入(ru)多(duo)輸(shu)出”數據 (MIMO),使(shi)用多(duo)個(ge)天線來增強發射和接(jie)收通(tong)信(xin),最大連接(jie)速率為 600 Mbit/s。802.11n標(biao)準(zhun)WiFi芯(xin)片一直使(shi)用至(zhi)今,工(gong)作頻段在2.4GHz。
2014年,IEEE發布了(le)802.11ac,速度高達3.5 Gbps,但(dan)只支持5GHz頻段。
2019年,802.11ax由無線網絡標(biao)準的(de)WiFi聯盟提出,同時支持2.4GHz和5.8GHz。IEEE也將(jiang)802.11ax命(ming)名(ming)為WiFi 6,并將(jiang)前兩代技術802.11n和802.11ac分(fen)別命(ming)名(ming)為WiFi 4和WiFi 5。在(zai)這(zhe)之(zhi)后(hou),WiFi 6的(de)前面(mian)才有(you)新的(de)命(ming)名(ming)WiFi 5、WiFi 4,但沒(mei)有(you)WiFi 3/WiFi 2/WiFi 1;后(hou)面(mian)有(you)WiFi 6E,WiFi 7。
WiFi 6速(su)度高(gao)(gao)達9.6 Gbps,比WiFi 5的(de)3.5 Gbps提(ti)高(gao)(gao)了近(jin)3倍。WiFi 6不但有WiFi 5的(de)所(suo)有先進 MIMO 特(te)性,WiFi 6下OFDMA和(he)MU-MIMO的(de)效(xiao)果可以疊加,兩者呈(cheng)現出一(yi)種互補關(guan)系,OFDMA適用(yong)(yong)(yong)于小數據包(bao)的(de)并行(xing)傳(chuan)輸提(ti)高(gao)(gao)信道利用(yong)(yong)(yong)率(lv)和(he)傳(chuan)輸效(xiao)率(lv),而MU-MIMO則適用(yong)(yong)(yong)于大數據包(bao)的(de)并行(xing)傳(chuan)輸,提(ti)高(gao)(gao)單用(yong)(yong)(yong)戶的(de)有效(xiao)帶寬,同樣能減少(shao)時(shi)延(yan)。更(geng)高(gao)(gao)階的(de)調(diao)制技術 (1024-QAM)、空分復用(yong)(yong)(yong)技術(SR)& BSS Coloring 著色機制、擴展覆蓋范圍 (ER),使得WiFi 6可以更(geng)好(hao)地(di)實現更(geng)多設備連接,可將每臺(tai)設備的(de)速(su)度至少(shao)提(ti)升4倍。
2020年,WiFi聯盟(meng)又宣布了(le)WiFi 6的擴展版WiFi 6E(E代(dai)表(biao)Extended),工作(zuo)頻(pin)(pin)(pin)段(duan)除(chu)了(le)原本的2.4GHz 、5GHz外,增加了(le)6GHz頻(pin)(pin)(pin)段(duan)(5925-7125 MHz,共1.2 GHz帶(dai)(dai)(dai)寬(kuan)),全(quan)新的6 GHz頻(pin)(pin)(pin)帶(dai)(dai)(dai)寬(kuan)度為1.2 GHz,可容(rong)納7個160MHz的頻(pin)(pin)(pin)帶(dai)(dai)(dai),或14個80MHz的頻(pin)(pin)(pin)帶(dai)(dai)(dai)。美國聯邦通信委員會(hui)將6GHz的1200 MHz免授權頻(pin)(pin)(pin)段(duan)分配(pei)給WiFi 6,歐(ou)盟(meng)則將6GHz的400MHz頻(pin)(pin)(pin)段(duan)分配(pei)給WiFi 6。
2021年,WiFi 7,即802.11be協議對(dui)外公布。高通、博(bo)通、聯發(fa)科等芯片公司正在積極(ji)開發(fa)WiFi 7芯片。與(yu)WiFi 6的(de)最(zui)多8個(ge)(ge)數(shu)(shu)據(ju)流(liu)相(xiang)比,WiFi 7將(jiang)(jiang)支持16個(ge)(ge)數(shu)(shu)據(ju)流(liu)以及CMU-MIMO技術(shu)。其(qi)中,C代(dai)表Coordinated,意思是16個(ge)(ge)數(shu)(shu)據(ju)流(liu)可能不是由一(yi)個(ge)(ge)接(jie)入點提供,而是由多個(ge)(ge)接(jie)入點同時提供。其(qi)次,WiFi 7將(jiang)(jiang)繼續支持6GHz頻段(duan),三個(ge)(ge)頻段(duan)可以同時連接(jie)工作,將(jiang)(jiang)單(dan)個(ge)(ge)信道的(de)寬(kuan)度從WiFi 6的(de)160MHz擴展到(dao)320MHz。
WiFi 7還將(jiang)信號調制方式(shi)升(sheng)級為4096QAM,以(yi)擁有更(geng)大的數據容量。所以(yi)WiFi 7最終(zhong)速(su)度可以(yi)達(da)到30Gbps,是目前推出的最快Wi-Fi 6速(su)度9.6Gbps的三(san)倍。

WiFi 6和WiFi 7的比較(jiao)(圖源:華為官(guan)網)
智(zhi)能(neng)手機(ji)領域是各大芯(xin)(xin)片廠商進入WiFi 6市場(chang)的重要入口,據市場(chang)調查機(ji)構Strategy Analytics的最(zui)新(xin)報告顯示,到2021年,智(zhi)能(neng)手機(ji)WiFi芯(xin)(xin)片市場(chang)規模將(jiang)達43億美元,高通、博通和聯發科將(jiang)占據該市場(chang)前三名。
目前(qian)支持WiFi 6的(de)手機SoC處理器包括(kuo)高(gao)通(tong)的(de)驍龍(long)888、驍龍(long)865,華(hua)為海思的(de)麒(qi)麟9000/9000E、麒(qi)麟900、麒(qi)麟985,蘋(pin)果的(de)A14,聯發科的(de)天璣1000+,還有博通(tong)的(de)WiFi 6芯片BCM4375模(mo)組。
然而,國產(chan)WiFi 6芯(xin)片是進不了(le)智能(neng)(neng)手(shou)機市場的(de),只有博通的(de)四合一模組憑借其優(you)異的(de)性(xing)能(neng)(neng)指標獨善其身,否則都(dou)是集成在SOC處理器(qi)里。
對于現(xian)在的國(guo)產WiFi 6芯片廠商來(lai)說,哪里才是真(zhen)正屬于他們的市場(chang),是目前需要思考和解(jie)決的問題。除了智能手機市場(chang),國(guo)產WiFi 6芯片究(jiu)竟該走向何方?下(xia)面我(wo)們一起來(lai)分析(xi)和探討。
WiFi芯片廣泛應用在智能家居、智能(neng)監(jian)(jian)控(kong),比如白色(se)家電市場(chang)(冰箱、空調等)、模塊市場(chang)、燈(deng)具市場(chang)、智能(neng)音(yin)箱監(jian)(jian)控(kong)、門(men)鈴、貓眼(yan)等產(chan)品。而其中網(wang)絡攝像(xiang)機、智能(neng)插(cha)座、WiFi智能(neng)燈(deng)等應(ying)用的市場(chang)規模較大,是目前的主流(liu)智能(neng)家居產(chan)品。
NEST、小米(mi)、涂鴉智(zhi)能(neng)(neng)、海爾、格(ge)力、美的等(deng)(deng)推出(chu)一系(xi)列智(zhi)能(neng)(neng)家居產品(pin)。海外巨頭(tou)NEST在(zai)智(zhi)能(neng)(neng)家居領域推出(chu)智(zhi)能(neng)(neng)攝像頭(tou)、Hello智(zhi)能(neng)(neng)可視(shi)門(men)鈴、NEST耶魯鎖、Thermostat恒溫(wen)器等(deng)(deng)。這些應(ying)用WiFi 4芯(xin)片就(jiu)能(neng)(neng)滿(man)足需求。WiFi 4只支持802.11n 2.4GHz頻段,需要(yao)升級(ji)到WiFi 6芯(xin)片嗎?
從現(xian)有(you)的(de)(de)(de)(de)市場(chang)(chang)應用來看,是(shi)不需要WiFi 6芯片的(de)(de)(de)(de),就(jiu)像(xiang)我們手機是(shi)5G還是(shi)4G,對現(xian)在的(de)(de)(de)(de)消費者來說都一樣。5G做到4G差不多的(de)(de)(de)(de)價格(ge),更多的(de)(de)(de)(de)人(ren)才(cai)會選(xuan)擇5G。同(tong)理,如果WiFi 6芯片做到WiFi 4芯片的(de)(de)(de)(de)價格(ge),才(cai)會有(you)市場(chang)(chang)。事實也(ye)如此(ci),目(mu)前市場(chang)(chang)上出貨最(zui)多的(de)(de)(de)(de)還是(shi)WiFi 4芯片。
為了搶占WiFi 4芯片(pian)市場,國產(chan)WiFi 6芯片(pian)公司(si)正在推(tui)出2.4GHz WiFi 6單頻芯片(pian),以同價的方式去替(ti)換WiFi 4芯片(pian)。在技術實現(xian)上也沒有(you)太大難(nan)度,底(di)層協(xie)議/通(tong)信協(xie)議和算(suan)法相對容易(yi)很(hen)多,射頻前端(PA+LNA+SW)也不需要真正做到 802.11ax的標準,滿足802.11n就(jiu)行。
為(wei)了解決(jue)視(shi)頻(pin)傳輸的需求,WiFi 5芯片(pian)應用(yong)而生。WiFi 5芯片(pian)市場(chang)主要(yao)是智(zhi)能手機(ji)(ji)、機(ji)(ji)頂盒市場(chang)、模(mo)塊市場(chang)、無人機(ji)(ji)與航模(mo)市場(chang)、游(you)戲機(ji)(ji)市場(chang)、電腦(nao)市場(chang)等等。
據(ju)(ju)中研(yan)普(pu)華產業研(yan)究(jiu)院(yuan)數據(ju)(ju)來源,2019年(nian)(nian)(nian)WiFi芯片(pian)市場(chang)規(gui)模(mo)為(wei)168億(yi)(yi)元(yuan),2020年(nian)(nian)(nian)市場(chang)規(gui)模(mo)上升(sheng)至180.2億(yi)(yi)元(yuan),,預(yu)估2021年(nian)(nian)(nian)市場(chang)規(gui)模(mo)達到(dao)210.8億(yi)(yi)元(yuan)。預(yu)計(ji)到(dao)2025年(nian)(nian)(nian)中國WiFi芯片(pian)市場(chang)規(gui)模(mo)將突破300億(yi)(yi)元(yuan),達到(dao)335.1億(yi)(yi)元(yuan),從2021年(nian)(nian)(nian)到(dao)2025年(nian)(nian)(nian)市場(chang)規(gui)模(mo)年(nian)(nian)(nian)平均復合增(zeng)長(chang)率將達到(dao)12.2%。從出貨量角(jiao)度來看,據(ju)(ju)Gartner數據(ju)(ju),2020年(nian)(nian)(nian)全球WiFi芯片(pian)共出貨44億(yi)(yi)顆(ke)(ke),預(yu)計(ji)2022年(nian)(nian)(nian)達到(dao)約49億(yi)(yi)顆(ke)(ke)。

數據(ju)來源:中研普華(hua)產業研究(jiu)院
2021年12月31日,市場(chang)分析(xi)機(ji)構DIGITIMES Research公布了2021年智能(neng)手(shou)機(ji)出(chu)貨量情況,全年出(chu)貨則約為(wei)13.2億部(bu),年增僅6.1%。智能(neng)手(shou)機(ji)是WiFi芯(xin)片(pian)最(zui)大(da)的市場(chang),從出(chu)貨數(shu)量來看,占比大(da)約是30%。由于手(shou)機(ji)上基本采用(yong)WiFi5或者WiFi6芯(xin)片(pian),銷售額預估占據60%以上。
智能手機(ji)之外,WiFi 5芯(xin)(xin)(xin)片(pian)的(de)數量占比只有約20%,其中大部分來(lai)自(zi)WiFi 5路由器市(shi)場;近80%的(de)出(chu)貨數量來(lai)自(zi)WiFi 4芯(xin)(xin)(xin)片(pian)。最終(zhong),20%的(de)WiFi 5芯(xin)(xin)(xin)片(pian)將會被WiFi 6芯(xin)(xin)(xin)片(pian)替(ti)換。
近兩年,視頻傳輸、視頻監控、智慧城市等物聯網領域對WiFi芯(xin)片(pian)性(xing)(xing)能(neng)要求不(bu)斷提高(gao),WiFi 6技術在VR/AR、超(chao)高(gao)清視(shi)頻等新型(xing)高(gao)速率應(ying)用(yong)(yong)場景具有(you)高(gao)適用(yong)(yong)性(xing)(xing),未(wei)來對此類(lei)應(ying)用(yong)(yong)的WiFi 6芯(xin)片(pian)將不(bu)斷增多。
有報告指出(chu),WiFi 6和WiFi 6E推動了智能(neng)手機Wi-Fi芯片市場,這些技術(shu)的迅速(su)采(cai)用為WiFi芯片廠商提供(gong)增(zeng)長機會,帶(dai)動WiFi6/WiFi6E路(lu)由(you)(you)器(qi)和物聯網(wang)領(ling)域的發(fa)展,使得國(guo)產路(lu)由(you)(you)器(qi)WiFi6芯片迎(ying)來春(chun)天(tian)。從路(lu)由(you)(you)器(qi)市場來看,2019年(nian)(nian)國(guo)內(nei)WiFi 6路(lu)由(you)(you)器(qi)芯片市場規模(mo)約(yue)為5.3億元,2023年(nian)(nian)預計突破百億。作(zuo)為國(guo)產路(lu)由(you)(you)器(qi)WiFi 6芯片的領(ling)頭羊矽昌通信在2022年(nian)(nian)將推出(chu)國(guo)內(nei)首(shou)款(kuan)WiFi 6路(lu)由(you)(you)器(qi)芯片。這個(ge)以(yi)前無人問津的賽(sai)道也(ye)引來了新的創業公司,實力不可小覷。
在(zai)手(shou)機WiFi 6市(shi)場(chang),博(bo)(bo)通(tong)是除(chu)基帶(dai)芯(xin)片(pian)廠商之外唯一的供應商,博(bo)(bo)通(tong)與蘋果合作,iPhone 13采用博(bo)(bo)通(tong)產品(pin)。此外,博(bo)(bo)通(tong)的BCM4375產品(pin)已(yi)經應用在(zai)三星S20系列(lie)手(shou)機上(shang)。博(bo)(bo)通(tong)在(zai)高端WiFi芯(xin)片(pian)領域一直保(bao)持領先地位,早在(zai)2020年面(mian)向(xiang)智能(neng)手(shou)機移(yi)動(dong)平(ping)臺(tai),博(bo)(bo)通(tong)就發布了全球(qiu)首(shou)款WiFi 6E芯(xin)片(pian)BCM4389,采用16nm工藝,數(shu)據傳輸率(lv)達到2.4Gbps。這個(ge)市(shi)場(chang),國產WiFi 6芯(xin)片(pian)廠商短期內只能(neng)旁觀。
在(zai)競爭激烈的(de)WiFi 賽道,國產芯(xin)片(pian)(pian)廠(chang)商(shang)都在(zai)尋找新的(de)細分市(shi)場切(qie)入(ru)(ru)點,除(chu)了高通(tong)、博通(tong)、聯發(fa)科等(deng)國際大廠(chang),國內樂(le)鑫(xin)(xin)科技(ji)(ji)、博通(tong)集成、翱翔(xiang)科技(ji)(ji)、博流等(deng)WiFi芯(xin)片(pian)(pian)廠(chang)商(shang)也在(zai)加緊布局(ju)WiFi 6市(shi)場,樂(le)鑫(xin)(xin)科技(ji)(ji)和(he)博通(tong)集成已(yi)推出了支持WiFi 6物聯網芯(xin)片(pian)(pian)。盤(pan)啟微(wei)利用在(zai)無人機領域做(zuo)到(dao)第一的(de)優勢加速(su)研(yan)發(fa)WiFi 6芯(xin)片(pian)(pian)。珠海(hai)泰(tai)芯(xin)基于(yu)(yu)Wi-Fi聯盟和(he)IEEE推出的(de)低功耗、長距(ju)離(li)的(de)Wi-Fi HaLow? 新標準(zhun)研(yan)發(fa)WiFi芯(xin)片(pian)(pian),同時借助于(yu)(yu)其市(shi)場優勢積(ji)極(ji)入(ru)(ru)局(ju)WiFi 6芯(xin)片(pian)(pian)。
近來(lai),不斷有國(guo)內(nei)MCU廠商(shang)找(zhao)到三伍(wu)微(wei),希(xi)望能一起配合WiFi射(she)頻前端(duan)芯片,三伍(wu)微(wei)在(zai)WiFi FEM性能和(he)成(cheng)本上都具有優勢。
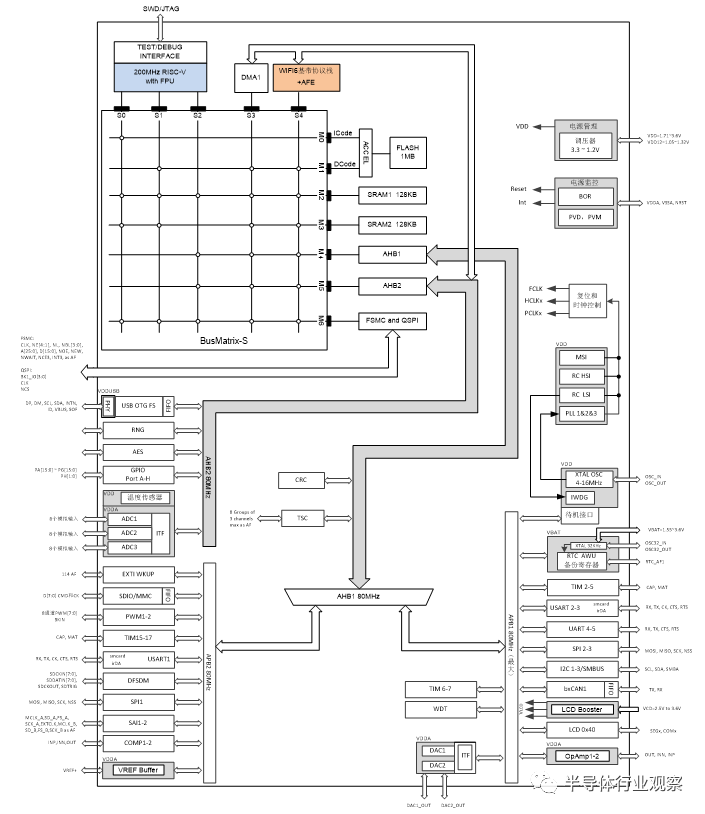
樂鑫科技從WiFi成功走(zou)向(xiang)了MCU,國內MCU卻正在(zai)走(zou)向(xiang)WiFi 6。國內MCU廠商(shang)甘(gan)堯電子就是其中之一,甘(gan)堯電子開發的G32L473xx系列MCU集成WIFI協(xie)議棧及AFE前端收發器,WiFi射頻(pin)前端外掛三伍微WiFi FEM。

WiFi 6 MCU系統框(kuang)圖
2020年,國內MCU公司(si)中(zhong)穎電子出(chu)(chu)貨(huo)量超過(guo)6億(yi)顆(ke),兆易創(chuang)新(xin)MCU出(chu)(chu)貨(huo)量接近2億(yi)顆(ke),雖然(ran)樂鑫科(ke)(ke)技(ji)出(chu)(chu)貨(huo)量只(zhi)有1.34億(yi)顆(ke),但在物聯網WiFi MCU市場份額(e)(按銷(xiao)量)占(zhan)比(bi)達(da)30%,位居全(quan)球第一,樂鑫科(ke)(ke)技(ji)2020年歸屬于上(shang)市公司(si)股東的凈利潤約(yue)為(wei)1.04億(yi)元(yuan),營(ying)業(ye)收(shou)入約(yue)為(wei)8.31億(yi)元(yuan)。從MCU的業(ye)務收(shou)入來(lai)看,中(zhong)穎電子領先于兆易創(chuang)新(xin)與(yu)樂鑫科(ke)(ke)技(ji),2020年中(zhong)穎電子MCU營(ying)業(ye)收(shou)入達(da)9.5億(yi)元(yuan)。

來源:公(gong)司財(cai)報
近幾年來物聯(lian)網(wang)技術蓬勃(bo)發展,智能音箱(xiang)(xiang)、智能家電(dian)(智能冰(bing)箱(xiang)(xiang),洗衣機)、掃地機器人、WiFi連(lian)接(jie)、工業設備接(jie)口等新鮮物件層(ceng)出不窮(qiong),而(er)WiFi MCU芯片(pian)領域就是實(shi)現物聯(lian)網(wang)的關鍵器件。
2021年(nian)9月,兆易創新宣布將推(tui)出WiFi MCU產品,以圍(wei)繞MCU生(sheng)態完善解決方案為目的(de)(de),圍(wei)繞公司核心的(de)(de)、通用的(de)(de)MCU業務(wu)和客戶需求配套(tao)打造。這(zhe)就意味著兆易創新正式進入(ru)WiFi 6 MCU領域。
從市場(chang)布(bu)局來看,兆(zhao)易(yi)(yi)創新(xin)MCU產品主要(yao)(yao)應(ying)用于(yu)汽車電(dian)(dian)子(zi)、工業等領域(yu);中(zhong)(zhong)穎(ying)電(dian)(dian)子(zi)產品主要(yao)(yao)應(ying)用于(yu)小家(jia)(jia)電(dian)(dian)領域(yu);樂鑫科技(ji)產品則主要(yao)(yao)應(ying)用于(yu)物聯網領域(yu)。隨著車聯網和工業物聯網的(de)(de)興(xing)起,兆(zhao)易(yi)(yi)創新(xin)WiFi 6 MCU將(jiang)正在(zai)這一(yi)領域(yu)具備(bei)優勢。這幾年智能家(jia)(jia)電(dian)(dian)發展(zhan)也非(fei)常迅猛(meng),作(zuo)為小家(jia)(jia)電(dian)(dian)領域(yu)的(de)(de)MCU老大,中(zhong)(zhong)穎(ying)電(dian)(dian)子(zi)的(de)(de)戰略(lve)布(bu)局非(fei)常聚焦,對(dui)生態也有自(zi)己深刻的(de)(de)認知(zhi),通過收購(gou)瀾(lan)至科技(ji)WiFi業務,橫向整合(he)帶動協同效應(ying),加入到WiFi 6 MCU賽道。
從目(mu)前來看,WiFi 6 MCU產品研(yan)(yan)發,樂鑫科技更勝一籌,在(zai)研(yan)(yan)發技術(shu)(shu)水(shui)平和(he)工藝上都處于領先地(di)位。短(duan)距離通(tong)信(xin)是物聯網未來的(de)主要(yao)(yao)連(lian)接方(fang)式(shi),而WiFi又是短(duan)距離通(tong)信(xin)的(de)主要(yao)(yao)應用技術(shu)(shu),高性(xing)價比的(de)WiFi MCU將(jiang)會是趨勢,且WiFi 6和(he)MCU的(de)集成過程中(zhong),WiFi 6技術(shu)(shu)難度(du)更高。
從國內外企業來看,WiFi業務的收購可以加強他們在物聯網、智能家居、智慧城市等方面的布局,從整個行業來看,對形成當前WiFi 6 MCU的市場格局起到了一定的影響作用,使得WiFi 6 MCU加速進入工業和消費類市場的全新物聯網應用領域。

來源(yuan):網絡(luo)
結語
潮來(lai)潮往,世界變遷。科技發展,萬(wan)物(wu)互(hu)聯。5G和WiFi 6,一個(ge)改(gai)變世界,一個(ge)改(gai)變生(sheng)活。
在(zai)(zai)國產WiFi 6芯(xin)(xin)片(pian)(pian)的創(chuang)業(ye)大潮中(zhong),多少歲月已(yi)流走,多少時光一去不回頭,又有多少芯(xin)(xin)片(pian)(pian)公司加入(ru)其(qi)中(zhong)。如(ru)果國產WiFi 6芯(xin)(xin)片(pian)(pian)能在(zai)(zai)這一次資本浪(lang)潮下(xia)成長起來,把握好時代(dai)賦予的機遇,那將收獲滿滿。