導讀:5種低模式,多時鐘源驅動,低能耗模式小于20nA,航順芯片超低功耗物聯網MCU獲得工程師青睞的秘訣!
據IHS數據統計,2022年中國MCU市場規模達283億元,近五年中國MCU市場復合增長率為7.2%,是同期全球MCU市場增長率的4倍,預計2022年市場規模約299億元。受物聯網、智能家居、新(xin)興醫療電(dian)子及新(xin)能源汽車等終端應用領域快速(su)發展的帶(dai)動,中國MCU市場未(wei)來幾年內仍將繼續(xu)保持(chi)8%的速(su)度增長。

數據來源IHS
低(di)能(neng)(neng)耗(hao)(hao)MCU是主要面向便攜(xie)式設(she)備、電池供電或能(neng)(neng)量采(cai)集(ji)等需要低(di)能(neng)(neng)耗(hao)(hao)工(gong)作的電子(zi)產(chan)品,通過不同(tong)的設(she)計(ji)方法(fa)和(he)工(gong)藝(yi)選(xuan)擇,以降(jiang)低(di)微控(kong)制器(qi)的能(neng)(neng)耗(hao)(hao)和(he)漏電流,為設(she)備提供更持(chi)久(jiu)的續航能(neng)(neng)力。作為MCU細(xi)分市(shi)(shi)場之(zhi)一,低(di)能(neng)(neng)耗(hao)(hao)MCU在全球(qiu)MCU市(shi)(shi)場中(zhong)占(zhan)比約(yue)15%-20%。隨著(zhu)便攜(xie)式穿戴(dai)設(she)備不斷普及(ji),有機構預測未來幾年低(di)能(neng)(neng)耗(hao)(hao)MCU市(shi)(shi)場復合增長(chang)率將超過24%,遠高于整(zheng)個MCU市(shi)(shi)場增速。
隨著(zhu)泛智(zhi)能化應用的快速發展,航順芯(xin)片推出基(ji)于(yu)ARM?Cortex?-M0內核(he)的超低能耗MCU產(chan)品HK32L08x及(ji)HK32L0Hx系列MCU芯(xin)片,進一步完善HK32L0xx系列MCU芯(xin)片產(chan)品線。

HK32L08x系列MCU芯片型號(hao)匯總

HK32L0Hx系列MCU芯片(pian)型號匯(hui)總
不(bu)同(tong)應用場(chang)(chang)景對MCU功能(neng)(neng)、性能(neng)(neng)和能(neng)(neng)耗的需求(qiu)(qiu)有很大的差異。有些場(chang)(chang)景需要(yao)全(quan)速(su)工作,有些場(chang)(chang)景需要(yao)低(di)速(su)工作,有些場(chang)(chang)景只需要(yao)間歇性工作,針對這些不(bu)同(tong)的應用場(chang)(chang)景,航順芯片進(jin)行了精(jing)細化的設計,HK32L08x及HK32L0Hx系(xi)列MCU支持多種能(neng)(neng)耗模式和不(bu)同(tong)深度的休眠模式,可以在要(yao)求(qiu)(qiu)低(di)能(neng)(neng)耗、短(duan)啟(qi)動時間和多種喚(huan)醒(xing)事件之間達(da)到最佳的平(ping)衡。

HK32L08x及HK32L0Hx多種功(gong)耗模式
USB標(biao)準中定義了一(yi)種特殊的設(she)(she)備(bei)狀態(tai),即掛起狀態(tai),在這種狀態(tai)下USB總線上的平均電(dian)流消(xiao)耗不超過(guo)2.5mA,而自供電(dian)的設(she)(she)備(bei)則(ze)不需要嚴格遵守這樣的電(dian)流消(xiao)耗限制(zhi)。
HK32L08x及HK32L0Hx系列MCU芯片提供(gong)了可(ke)編程時基,便(bian)于定期從(cong)停機(ji)或待(dai)機(ji)模(mo)式喚(huan)醒器件。通過對(dui)RCC_BDCR寄存器中的RTC_SEL[1:0]位進行(xing)編程,可(ke)以(yi)選擇三個復用(yong)RTC時鐘(zhong)源中的兩個低功耗(hao)32.768kHz外部晶振(LSE OSC),此時鐘(zhong)源提供(gong)的時基非(fei)常精確,能耗(hao)也非(fei)常低(典型條件下附加功耗(hao)小(xiao)于1μA);另外一個是低能耗(hao)內(nei)部RC振蕩器(LSI RC),此時鐘(zhong)源的優勢在于可(ke)以(yi)節省32.768kHz晶振的成本,非(fei)常省電。
時(shi)(shi)鐘系統(tong)是(shi)(shi)MCU功耗(hao)(hao)高低的(de)關鍵,每(mei)秒進入與退出各種低能耗(hao)(hao)模式(shi)的(de)次(ci)數,以及快速處理數據的(de)能力,是(shi)(shi)工程師選擇(ze)低能耗(hao)(hao)MCU芯片(pian)的(de)重(zhong)要參考指標,因為(wei)CPU會在等(deng)待時(shi)(shi)鐘穩定下來期間浪費電流。HK32L08x及HK32L0Hx系列MCU支(zhi)持多種時(shi)(shi)鐘源驅動(dong)系統(tong)時(shi)(shi)鐘(SYSCLK),工程師選擇(ze)可(ke)(ke)外部低速時(shi)(shi)鐘(LSE)用于驅動(dong)獨立看(kan)門狗或從停(ting)機(ji)/待機(ji)模式(shi)自動(dong)喚醒的(de)RTC、LCD、LPTIMER以及 LPUART等(deng),也可(ke)(ke)選擇(ze)LSE驅動(dong)實(shi)時(shi)(shi)時(shi)(shi)鐘,每(mei)種時(shi)(shi)鐘源都可(ke)(ke)以獨立地(di)打開或關斷(duan),當不(bu)使用它們時(shi)(shi),可(ke)(ke)以將(jiang)其關斷(duan)來降低能耗(hao)(hao),有多個分頻(pin)器可(ke)(ke)用于配置AHB和(he)APB時(shi)(shi)鐘域,AHB和(he)APB域的(de)最(zui)大(da)時(shi)(shi)鐘頻(pin)率為(wei)48MHz。

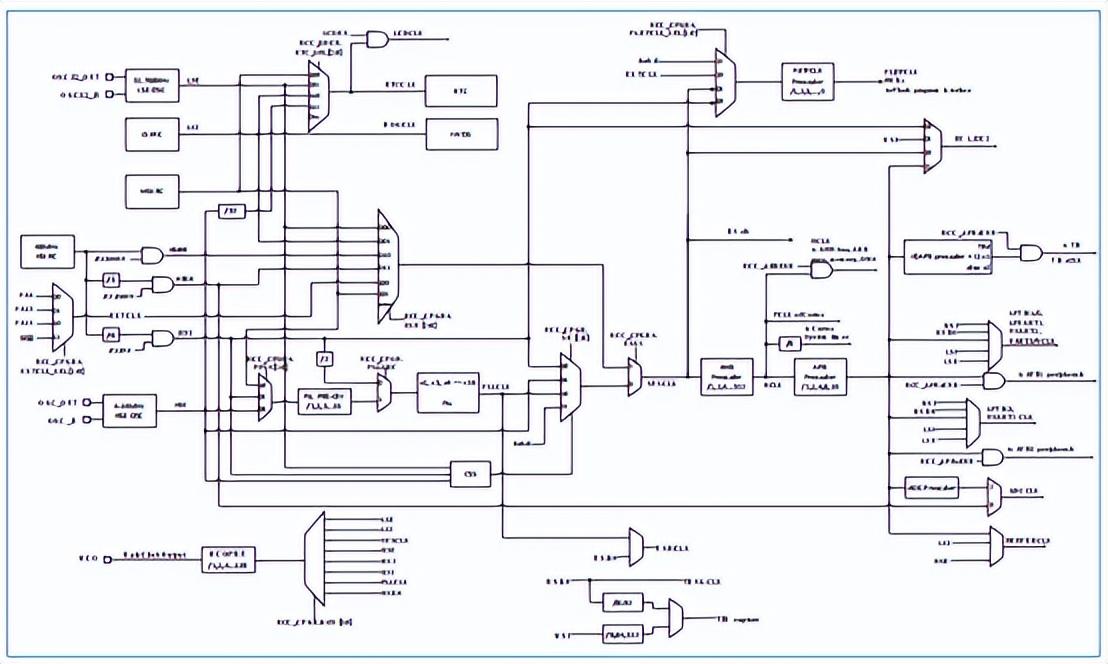
HK32L08x及HK32L0Hx系(xi)(xi)列MCU芯(xin)片時鐘(zhong)系(xi)(xi)統一覽

HK32L08x及HK32L0Hx系列MCU芯片(pian)時鐘樹
除(chu)了(le)不同的(de)時(shi)(shi)鐘模式外,更為重要的(de)要明白哪(na)些時(shi)(shi)鐘是(shi)即時(shi)(shi)啟動以及(ji)哪(na)些是(shi)非即時(shi)(shi)啟動的(de)。HK32L08x及(ji)HK32L0Hx系列MCU芯片具有雙級時(shi)(shi)鐘激活(huo)功能,在高頻(pin)時(shi)(shi)鐘穩定化過程中分(fen)別提供(gong)一個外部低速時(shi)(shi)鐘LSE和片內低速始終LSI(通常為32768Hz),在睡眠模式的(de)最快的(de)喚醒時(shi)(shi)間達(da)1.2uS。
據中國產業信息網預測,預計2025年物聯網連接數將達到251億臺,保持12%以上增長,龐大的物聯網應用需(xu)求使得超(chao)(chao)低能耗(hao)(hao)(hao)MCU芯片(pian)產品(pin)越(yue)來越(yue)受重視,航順(shun)芯片(pian)也緊抓機(ji)遇(yu),2021年量產物(wu)(wu)(wu)聯(lian)(lian)網(wang)(wang)安全(quan)世界級(ji)超(chao)(chao)低能耗(hao)(hao)(hao)20nA HK32L家族,并(bing)不斷完善(shan)超(chao)(chao)低能耗(hao)(hao)(hao)MCU產品(pin)線,力圖打造nA級(ji)超(chao)(chao)低功耗(hao)(hao)(hao)MCU芯片(pian)集(ji)群。憑(ping)借此重量級(ji)“全(quan)球超(chao)(chao)低功耗(hao)(hao)(hao)20nA 物(wu)(wu)(wu)聯(lian)(lian)網(wang)(wang)MCU航順(shun)HK32L08X”連(lian)續兩(liang)年獲得物(wu)(wu)(wu)聯(lian)(lian)網(wang)(wang)物(wu)(wu)(wu)聯(lian)(lian)之星“年度卓越(yue)人物(wu)(wu)(wu)獎(jiang)”,在物(wu)(wu)(wu)聯(lian)(lian)網(wang)(wang)大放異彩并(bing)獲得眾多物(wu)(wu)(wu)聯(lian)(lian)網(wang)(wang)客戶采用,賦能全(quan)人類,萬(wan)物(wu)(wu)(wu)互聯(lian)(lian)讓智慧(hui)生(sheng)活(huo)更(geng)美好!